加氣混凝土板是否可以做屋面板與樓板,這主要與加氣混凝土板的配筋有關。當合理配筋后的加氣混凝土板能滿足屋面板、樓板的荷載要求,它是可以做為屋面板、樓板使用的。
根據《蒸壓加氣混凝土板》GB15762-2020標準的規定,加氣混凝土屋面板、樓板配筋如下:
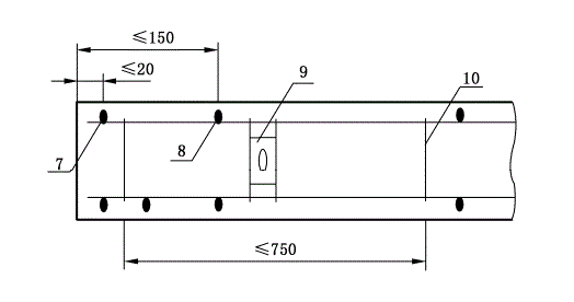
根據《蒸壓加氣混凝土板》GB15762-2020標準的規定,加氣混凝土屋面板、樓板配筋如下:

屋面板、樓板鋼筋、網籠基本構造要求

下層網片構造示意圖

網籠構造示意圖

本文地址:http://m.desiccant.net.cn/qiangbanxuanqu/330.html
上一篇:蒸壓加氣混凝土墻板配筋圖
下一篇:pc構件和alc板材區別
